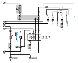
2012 Toyota Tacoma Trailer Wiring Harness Diagram. The Toyota Tacoma is capable of towing, but without a trailer wiring harness, you will be getting a big ticket. Made with impeccable quality and high functionality in mind, this first-rate product is.
Made with impeccable quality and high functionality in mind, this first-rate product is.
Amazon's Choice for toyota tacoma trailer wiring.
The Toyota Tacoma is capable of towing, but without a trailer wiring harness, you will be getting a big ticket. From performance to genuine replacement parts, the automotive market has the perfect components for the damaged unit you'll find in your Tacoma. Need to replace a corroded or damaged Trailer Hitch Plug on your Toyota Tacoma model?








